Gehäuse & Einheiten
Hersteller | UC | US | UK+H | EX | ES | |
|---|---|---|---|---|---|---|
PE | SNR | UCPE | USPE | UKPE..H | EXPE | ESPE |
| INA | RASEY | PASEY | – | RASE..N | PASE..N | |
| SKF | SY..TF | – | SYJ..KF | SY..WF | SY..FM | |
PL | SNR | UCPLE | USPLE | UKPLE..H | EXPLE | ESPLE |
| RHP | SL | – | – | – | SL..EC | |
P | SNR | UCP | USP | UKP..H | EXP | ESP |
| NSK | UCP | – | UKP..+H23.. | EWP | ENP | |
| ASAHI | UCP | – | UKP..+H23.. | – | – | |
| NTN | UCP..D1 | – | UKP..D1,H23..X | UELP..D1W3 | – | |
| KOYO | UCP | – | UKP | NAP..M | SA...M | |
PH | SNR | UCPH | USPH | UKPH..H | EXPH | ESPH |
| INA | RTUEY | – | – | – | – | |
| NSK | UCPH | – | UKPH..+H23.. | – | – | |
| ASAHI | UCPH | – | – | – | – | |
| NTN | UCHP..D1 | – | – | UELHP..D1W3 | – | |
| KOYO | UCPH | – | – | – | – | |
PAE | SNR | UCPAE | USPAE | UKPAE..H | EXPAE | ESPAE |
| INA | RSHEY | PSHEY | – | RSHE..N | PSHE..N | |
| SKF | SYF..TF | – | – | – | SYF..FM | |
| RHP | SNP | SNP..A | – | SNP..DEC | SNP..EC | |
PA | SNR | UCPA | USPA | UKPA..H | EXPA | ESPA |
| NSK | UCPA | UBPA | – | EWPA | – | |
| NTN | UCUP..D1 | – | – | UELUP..D1W3 | – | |
| ASAHI | UCPA | – | – | – | – | |
| KOYO | UCPA | – | – | – | – |
| Lager | Hersteller | Bezeichnung |
|---|---|---|
UC..G2 | SNR | UC..G2 |
| INA | GYE..KRRB | |
| SKF | YAR..2F | |
| RHP | 10..G | |
| NSK | UC | |
| ASAHI | UC | |
| NTN | UC..D1 | |
| KOYO | UC | |
EX..G2 | SNR | EX..G2 |
| INA | GE..KRRB | |
| SKF | EL..-2F | |
| RHP | 10..DECG | |
| NSK | EW | |
| ASAHI | – | |
| NTN | UEL..D1W3 | |
| KOYO | NA | |
UK..G2 | SNR | UK..G2 |
| INA | – | |
| SKF | YSA..-2FK | |
| RHP | 10..KG | |
| NSK | UK..+H23.. | |
| ASAHI | UK..+H23.. | |
| NTN | UK..D1, H23..X | |
| KOYO | UK | |
US..G2 | SNR | US..G2 |
| INA | GAY..NPPB | |
| SKF | YAT | |
| RHP | 12..G | |
| NSK | UB | |
| ASAHI | KH..+ ER / B | |
| NTN | AS | |
| KOYO | SB | |
ES..G2 | SNR | ES..G2 |
| INA | GRAE..NPPB | |
| SKF | YET | |
| RHP | 12..ECG | |
| NSK | EN | |
| ASAHI | KH..+ER / B | |
| NTN | AEL..W3 | |
| KOYO | SA |
Hersteller | US | ES | |
|---|---|---|---|
PP | SNR | USPP | ESPP |
| INA | PBY | PB | |
| SKF | P..RM | P..FM | |
| RHP | – | LPB..EC | |
| ASAHI | BPP..-Z2 | KHPP..-Z2 | |
| NTN | ASPP | AELPP..W3 | |
| KOYO | SBPP | SAPP..FM C | |
PF | SNR | USPF | ESPF |
| INA | RAY | RA | |
| SKF | PF..RM | PF..FM | |
| RHP | SLFE..A | SLFE..EC | |
| NSK | UBPF | ENPF | |
| ASAHI | PBF | KHPF | |
| NTN | ASPF | AELPF..W3 | |
| KOYO | SBPF | SAPF..FM | |
PFL | SNR | USPFL | ESPFL |
| INA | RATY | RAT | |
| SKF | PFT..RM | PFT..FM | |
| RHP | SLFL..A | SLFL..EC | |
| NSK | UBPFL | ENPFL | |
| ASAHI | BPFL | KHPFL | |
| NTN | ASPFL | AELPFL | |
| KOYO | SBPFL | SAPFL..FM | |
PFT | SNR | USPFT | ESPFT |
| INA | RATRY | RATR | |
| SKF | PFD..RM | PFD..FM | |
| RHP | SLFT..A | SLFT..EC | |
| ASAHI | BPFT | – | |
PFE | SNR | USPFE | ESPFE |
| INA | – | MSTU |
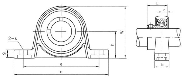
| Artikel-Nr. | Ø Bohrung | h | a | e | b | s | g | w | L | n | Befestigungsschraube | kg |
|---|---|---|---|---|---|---|---|---|---|---|---|---|
| UP 08 | 8 | 15 | 55 | 42 | 13 | 4,8 | 5 | 29 | 15 | 3,5 | – | 0,047 |
| UP 000 | 10 | 18 | 67 | 53 | 16 | 7,0 | 6 | 35 | 17,5 | 4,0 | M6 | 0,077 |
| UP 001 | 12 | 19 | 71 | 56 | 16 | 7,0 | 6 | 38 | 17,5 | 4,0 | M6 | 0,091 |
| UP 002 | 15 | 22 | 80 | 63 | 16 | 7,0 | 7 | 43 | 18,5 | 4,5 | M6 | 0,125 |
| UP 003 | 17 | 24 | 85 | 67 | 18 | 7,0 | 7 | 47 | 20,5 | 5,0 | M6 | 0,156 |
| UP 004 | 20 | 28 | 100 | 80 | 20 | 10,0 | 9 | 55 | 24,5 | 6,0 | M8 | 0,230 |
| UP 005 | 25 | 32 | 112 | 90 | 20 | 10,0 | 10 | 62 | 25,5 | 6,0 | M8 | 0,294 |
| UP 006 | 30 | 36 | 132 | 106 | 26 | 13,0 | 11 | 70 | 26,5 | 6,5 | M10 | 0,454 |
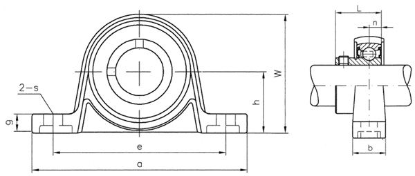
| Artikel-Nr. | Ø Bohrung | h | a | e | b | s | g | w | L | n | Befestigungsschraube | kg |
|---|---|---|---|---|---|---|---|---|---|---|---|---|
| KP 000 | 10 | 18 | 67 | 53 | 16 | 7 | 6 | 35 | 14,0 | 4,0 | M6 | 0,077 |
| KP 001 | 12 | 19 | 71 | 56 | 16 | 7 | 6 | 38 | 14,5 | 4,0 | M6 | 0,091 |
| KP 002 | 15 | 22 | 80 | 63 | 16 | 7 | 7 | 43 | 16,5 | 4,5 | M6 | 0,125 |
| KP 003 | 17 | 24 | 85 | 67 | 18 | 7 | 7 | 47 | 17,5 | 5,0 | M6 | 0,156 |
| KP 004 | 20 | 28 | 100 | 80 | 20 | 10 | 9 | 55 | 21,0 | 6,0 | M8 | 0,230 |
| KP 005 | 25 | 32 | 112 | 90 | 20 | 10 | 10 | 62 | 22,5 | 6,0 | M8 | 0,294 |
| KP 006 | 30 | 36 | 132 | 106 | 26 | 13 | 11 | 70 | 24,5 | 6,5 | M10 | 0,454 |
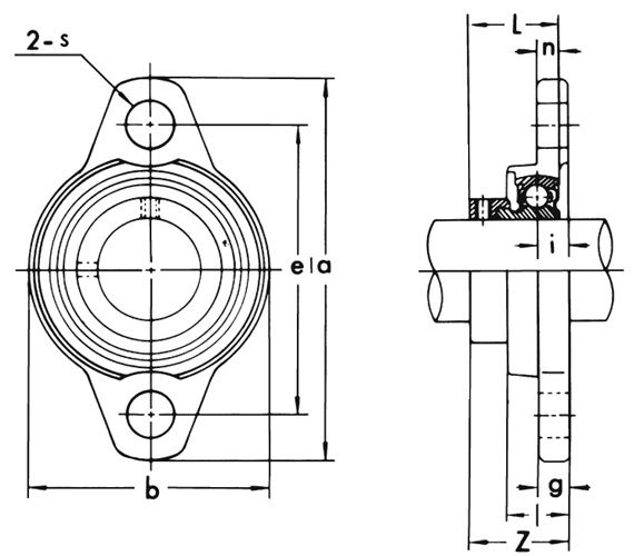
| Artikel-Nr. | Ø Bohrung | a | e | i | g | l | s | b | Z | L | n | Befestigungsschraube | kg |
|---|---|---|---|---|---|---|---|---|---|---|---|---|---|
| UFL 08 | 8 | 48 | 37 | 4,5 | 4,0 | 8,5 | 4,8 | 27 | 16,0 | – | 3,5 | – | 0,030 |
| UFL 000 | 10 | 60 | 45 | 5,5 | 5,5 | 11,5 | 7 | 36 | 19,0 | 17,5 | 4,0 | M6 | 0,060 |
| UFL 001 | 12 | 63 | 48 | 5,5 | 5,5 | 11,5 | 7 | 38 | 19,0 | 17,5 | 4,0 | M6 | 0,076 |
| UFL 002 | 15 | 67 | 53 | 6,5 | 6,5 | 13,0 | 7 | 42 | 20,5 | 18,5 | 4,5 | M6 | 0,100 |
| UFL 003 | 17 | 71 | 56 | 7,0 | 7,0 | 14,0 | 7 | 46 | 22,5 | 20,5 | 5,0 | M6 | 0,129 |
| UFL 004 | 20 | 90 | 71 | 8,0 | 8,0 | 16,0 | 10 | 55 | 26,5 | 24,5 | 6,0 | M8 | 0,205 |
| UFL 005 | 25 | 95 | 75 | 8,0 | 8,0 | 16,0 | 10 | 60 | 27,5 | 25,5 | 6,0 | M8 | 0,244 |
| UFL 006 | 30 | 112 | 85 | 9,0 | 9,0 | 18,0 | 13 | 70 | 29,0 | 26,5 | 6,5 | M10 | 0,354 |
| UFL 007 | 35 | 122 | 95 | 10,0 | 10,0 | 20,0 | 13 | 80 | 32,5 | 30,0 | 7,0 | M10 | 0,498 |
| Artikel-Nr. | Ø Bohrung | H | J | A2 | A1 | A | N | L | A0 | B | S | Befestigungsschraube | kg |
|---|---|---|---|---|---|---|---|---|---|---|---|---|---|
| KFL 000 | 10 | 60 | 45 | 5,5 | 5,5 | 11,5 | 7,0 | 36 | 15,5 | 14,0 | 4,0 | M6 | 0,060 |
| KFL 001 | 12 | 63 | 48 | 5,5 | 5,5 | 11,5 | 7,0 | 38 | 16,0 | 14,5 | 4,0 | M6 | 0,076 |
| KFL 002 | 15 | 67 | 53 | 6,5 | 6,5 | 13,0 | 7,0 | 42 | 18,6 | 16,5 | 4,5 | M6 | 0,100 |
| KFL 003 | 17 | 71 | 56 | 7,0 | 7,0 | 14,0 | 7,0 | 46 | 19,5 | 17,5 | 5,0 | M6 | 0,129 |
| KFL 004 | 20 | 90 | 71 | 8,0 | 8,0 | 16,0 | 10,0 | 55 | 23,0 | 21,0 | 6,0 | M8 | 0,205 |
| KFL 005 | 25 | 95 | 75 | 8,0 | 8,0 | 16,0 | 10,0 | 60 | 24,5 | 22,5 | 6,0 | M8 | 0,244 |
| KFL 006 | 30 | 112 | 85 | 9,0 | 9,0 | 18,0 | 13,0 | 70 | 27,0 | 24,5 | 6,5 | M10 | 0,354 |
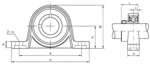
| Artikel-Nr. | Ø Bohrung | h | a | e | b | s | g | w | L | n | Befestigungsschraube | kg |
|---|---|---|---|---|---|---|---|---|---|---|---|---|
| SKP 000 | 10 | 18 | 67 | 53 | 16 | 7 | 6 | 35 | 14,0 | 4,0 | M6 | 0,077 |
| SKP 001 | 12 | 19 | 71 | 56 | 16 | 7 | 6 | 38 | 14,5 | 4,0 | M6 | 0,091 |
| SKP 002 | 15 | 22 | 80 | 63 | 16 | 7 | 7 | 43 | 16,5 | 4,5 | M6 | 0,125 |
| SKP 003 | 17 | 24 | 85 | 67 | 18 | 7 | 7 | 47 | 17,5 | 5,0 | M6 | 0,156 |
| SKP 004 | 20 | 28 | 100 | 80 | 20 | 10 | 9 | 55 | 21,0 | 6,0 | M8 | 0,230 |
| SKP 005 | 25 | 32 | 112 | 90 | 20 | 10 | 10 | 62 | 22,5 | 6,0 | M8 | 0,294 |
| SKP 006 | 30 | 36 | 132 | 106 | 26 | 13 | 11 | 70 | 24,5 | 6,5 | M10 | 0,454 |
| Artikel-Nr. | Ø Bohrung | a | e | i | g | l | s | b | Z | L | n | Befestigungsschraube | kg |
|---|---|---|---|---|---|---|---|---|---|---|---|---|---|
| SUFL 08 | 8 | 48 | 37 | 4,5 | 4,0 | 8,5 | 4,8 | 27 | 16,0 | – | 3,5 | – | 0,030 |
| SUFL 000 | 10 | 60 | 45 | 5,5 | 5,5 | 11,5 | 7 | 36 | 19,0 | 17,5 | 4,0 | M6 | 0,060 |
| SUFL 001 | 12 | 63 | 48 | 5,5 | 5,5 | 11,5 | 7 | 38 | 19,0 | 17,5 | 4,0 | M6 | 0,076 |
| SUFL 002 | 15 | 67 | 53 | 6,5 | 6,5 | 13,0 | 7 | 42 | 20,5 | 18,5 | 4,5 | M6 | 0,100 |
| SUFL 003 | 17 | 71 | 56 | 7,0 | 7,0 | 14,0 | 7 | 46 | 22,5 | 20,5 | 5,0 | M6 | 0,129 |
| SUFL 004 | 20 | 90 | 71 | 8,0 | 8,0 | 16,0 | 10 | 55 | 26,5 | 24,5 | 6,0 | M8 | 0,205 |
| SUFL 005 | 25 | 95 | 75 | 8,0 | 8,0 | 16,0 | 10 | 60 | 27,5 | 25,5 | 6,0 | M8 | 0,244 |
| SUFL 006 | 30 | 112 | 85 | 9,0 | 9,0 | 18,0 | 13 | 70 | 29,0 | 26,5 | 6,5 | M10 | 0,354 |
| SUFL 007 | 35 | 122 | 95 | 10,0 | 10,0 | 20,0 | 13 | 80 | 32,5 | 30,0 | 7,0 | M10 | 0,498 |
| Artikel-Nr. | Ø Bohrung | H | J | A2 | A1 | A | N | L | A0 | B | S | Befestigungsschraube | kg |
|---|---|---|---|---|---|---|---|---|---|---|---|---|---|
| SKFL 000 | 10 | 60 | 45 | 5,5 | 5,5 | 11,5 | 7,0 | 36 | 15,5 | 14,0 | 4,0 | M6 | 0,060 |
| SKFL 001 | 12 | 63 | 48 | 5,5 | 5,5 | 11,5 | 7,0 | 38 | 16,0 | 14,5 | 4,0 | M6 | 0,076 |
| SKFL 002 | 15 | 67 | 53 | 6,5 | 6,5 | 13,0 | 7,0 | 42 | 18,6 | 16,5 | 4,5 | M6 | 0,100 |
| SKFL 003 | 17 | 71 | 56 | 7,0 | 7,0 | 14,0 | 7,0 | 46 | 19,5 | 17,5 | 5,0 | M6 | 0,129 |
| SKFL 004 | 20 | 90 | 71 | 8,0 | 8,0 | 16,0 | 10,0 | 55 | 23,0 | 21,0 | 6,0 | M8 | 0,205 |
| SKFL 005 | 25 | 95 | 75 | 8,0 | 8,0 | 16,0 | 10,0 | 60 | 24,5 | 22,5 | 6,0 | M8 | 0,244 |
| SKFL 006 | 30 | 112 | 85 | 9,0 | 9,0 | 18,0 | 13,0 | 70 | 27,0 | 24,5 | 6,5 | M10 | 0,354 |
| Artikel-Nr. | Ø Bohrung | h | a | e | b | s | g | w | L | n | Befestigungsschraube | kg |
|---|---|---|---|---|---|---|---|---|---|---|---|---|
| SSUP 000 | 10 | 18 | 67 | 53 | 16 | 7,0 | 6 | 35 | 17,5 | 4,0 | M6 | 0,077 |
| SSUP 001 | 12 | 19 | 71 | 56 | 16 | 7,0 | 6 | 38 | 17,5 | 4,0 | M6 | 0,091 |
| SSUP 002 | 15 | 22 | 80 | 63 | 16 | 7,0 | 7 | 43 | 18,5 | 4,5 | M6 | 0,125 |
| SSUP 003 | 17 | 24 | 85 | 67 | 18 | 7,0 | 7 | 47 | 20,5 | 5,0 | M6 | 0,156 |
| SSUP 004 | 20 | 28 | 100 | 80 | 20 | 10,0 | 9 | 55 | 24,5 | 6,0 | M8 | 0,230 |
| SSUP 005 | 25 | 32 | 112 | 90 | 20 | 10,0 | 10 | 62 | 25,5 | 6,0 | M8 | 0,294 |
| SSUP 006 | 30 | 36 | 132 | 106 | 26 | 13,0 | 11 | 70 | 26,5 | 6,5 | M10 | 0,454 |
| Artikel-Nr. | Ø Bohrung | h | a | e | b | s | g | w | L | n | Befestigungsschraube | kg |
|---|---|---|---|---|---|---|---|---|---|---|---|---|
| SSKP 000 | 10 | 18 | 67 | 53 | 16 | 7 | 6 | 35 | 14,0 | 4,0 | M6 | 0,077 |
| SSKP 001 | 12 | 19 | 71 | 56 | 16 | 7 | 6 | 38 | 14,5 | 4,0 | M6 | 0,091 |
| SSKP 002 | 15 | 22 | 80 | 63 | 16 | 7 | 7 | 43 | 16,5 | 4,5 | M6 | 0,125 |
| SSKP 003 | 17 | 24 | 85 | 67 | 18 | 7 | 7 | 47 | 17,5 | 5,0 | M6 | 0,156 |
| SSKP 004 | 20 | 28 | 100 | 80 | 20 | 10 | 9 | 55 | 21,0 | 6,0 | M8 | 0,230 |
| SSKP 005 | 25 | 32 | 112 | 90 | 20 | 10 | 10 | 62 | 22,5 | 6,0 | M8 | 0,294 |
| SSKP 006 | 30 | 36 | 132 | 106 | 26 | 13 | 11 | 70 | 24,5 | 6,5 | M10 | 0,454 |
| Artikel-Nr. | Ø Bohrung | a | e | i | g | l | s | b | Z | L | n | Befestigungsschraube | kg |
|---|---|---|---|---|---|---|---|---|---|---|---|---|---|
| SSUFL 000 | 10 | 60 | 45 | 5,5 | 5,5 | 11,5 | 7 | 36 | 19,0 | 17,5 | 4,0 | M6 | 0,060 |
| SSUFL 001 | 12 | 63 | 48 | 5,5 | 5,5 | 11,5 | 7 | 38 | 19,0 | 17,5 | 4,0 | M6 | 0,076 |
| SSUFL 002 | 15 | 67 | 53 | 6,5 | 6,5 | 13,0 | 7 | 42 | 20,5 | 18,5 | 4,5 | M6 | 0,100 |
| SSUFL 003 | 17 | 71 | 56 | 7,0 | 7,0 | 14,0 | 7 | 46 | 22,5 | 20,5 | 5,0 | M6 | 0,129 |
| SSUFL 004 | 20 | 90 | 71 | 8,0 | 8,0 | 16,0 | 10 | 55 | 26,5 | 24,5 | 6,0 | M8 | 0,205 |
| SSUFL 005 | 25 | 95 | 75 | 8,0 | 8,0 | 16,0 | 10 | 60 | 27,5 | 25,5 | 6,0 | M8 | 0,244 |
| SSUFL 006 | 30 | 112 | 85 | 9,0 | 9,0 | 18,0 | 13 | 70 | 29,0 | 26,5 | 6,5 | M10 | 0,354 |
| Artikel-Nr. | Ø Bohrung | H | J | A2 | A1 | A | N | L | A0 | B | S | Befestigungsschraube | kg |
|---|---|---|---|---|---|---|---|---|---|---|---|---|---|
| SSKFL 000 | 10 | 60 | 45 | 5,5 | 5,5 | 11,5 | 7,0 | 36 | 15,5 | 14,0 | 4,0 | M6 | 0,060 |
| SSKFL 001 | 12 | 63 | 48 | 5,5 | 5,5 | 11,5 | 7,0 | 38 | 16,0 | 14,5 | 4,0 | M6 | 0,076 |
| SSKFL 002 | 15 | 67 | 53 | 6,5 | 6,5 | 13,0 | 7,0 | 42 | 18,6 | 16,5 | 4,5 | M6 | 0,100 |
| SSKFL 003 | 17 | 71 | 56 | 7,0 | 7,0 | 14,0 | 7,0 | 46 | 19,5 | 17,5 | 5,0 | M6 | 0,129 |
| SSKFL 004 | 20 | 90 | 71 | 8,0 | 8,0 | 16,0 | 10,0 | 55 | 23,0 | 21,0 | 6,0 | M8 | 0,205 |
| SSKFL 005 | 25 | 95 | 75 | 8,0 | 8,0 | 16,0 | 10,0 | 60 | 24,5 | 22,5 | 6,0 | M8 | 0,244 |
| SSKFL 006 | 30 | 112 | 85 | 9,0 | 9,0 | 18,0 | 13,0 | 70 | 27,0 | 24,5 | 6,5 | M10 | 0,354 |
UC
US
UK+H
EX
ES
PE
PH
PAE
PA
UC..G2
EX..G2
UK..G2
US..G2
ES..G2
US
ES
PP
PF
PFL
PFT
PFE
SUC
SES
SP
SPA
SF
SFL
ST
SUC …
SES …
MUC .. FD
MUC..FD
GNP
GSF
GSFT